Zhixing Machine
Main Features:
| Group I | Guide and pre-compression |
| Group II | Rolling |
| Group III | Straightening (horizontal and vertical) |
| Motor power | 380V 50Hz |
| Input | 15KW |
| Roller diameter | 230mm |
| Shelf | 500x4000mm |
| Maximum processing size | 150mm(w) × 240mm(H) |
| Work efficiency | 0-100m/min |
| Weight | 2000 kg |
| Overall dimension | 1950 × 1800 × 1700mm |
| Work area | 15000(L)x3000(W)mm |
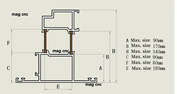
A.B.C. E.F.H Dimensions: All dimensions can be retrieved to achieve fast and automatic adjustment. The system eliminates the complex adjustment of F, A, and C sizes; all adjustments take only about ten seconds without manual intervention, making it ideal for multi-specification profile composites.




A1: It is a 12-axis CNC machine designed to combine thermal barrier strips or plastic profiles with aluminum profiles to create thermal break (bridge cutoff) composite profiles.
A2: It utilizes Omron PLC and precision linear guides to allow for fully automatic adjustment between different profile specifications in about ten seconds, eliminating manual errors.
A3: Group I handles guide and pre-compression; Group II performs the rolling; Group III is responsible for horizontal and vertical straightening of the profile.
A4: Yes, it can be connected with various professional software such as Changfeng, Thinkersoft, and Tutorsoft, and works online with sawing and milling lines.
A5: The machine can process aluminum profiles up to a maximum size of 150mm in width and 240mm in height.
A6: It allows for remote technical support where specialists can modify parameters or guide operators through programming and troubleshooting issues.